地 址:河南新鄉市環宇立交橋橋北500米路東(周村工業園內)
電 話:0373-2688986
傳 真:0373-2688749
聯系人:韓經理
手 機:13663901423
郵 箱:695434725@qq.com
網 址:http://m.bonaminiosflorist.com

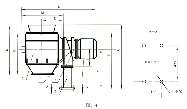
WP型精整機
產品分類:ZY系列制粒機
應用范圍:
本機是將各種不同規格的物料按工藝要求精確地整治出大小均勻、形狀相同的規格。該機可與造粒設備配套使用,也可單獨使用。(1)示意圖1-41、電動機 2、支架 3、減速機 4、機架 5、整料箱體序號型號ABCDEFLMN功率重量1WP50078010001200870670220140......
24小時電話咨詢:13663901423
本機是將各種不同規格的物料按工藝要求精確地整治出大小均勻、形狀相同的規格。該機可與造粒設備配套使用,也可單獨使用。
1、電動機 2、支架 3、減速機 4、機架 5、整料箱體
序號 | 型號 | A | B | C | D | E | F | L | M | N | 功率 | 重量 |
1 | WP500 | 780 | 1000 | 1200 | 870 | 670 | 220 | 1400 | 691 | 340 | 5.5KW | 308kg |
2 | WP800 | 780 | 1000 | 1200 | 870 | 670 | 220 | 1700 | 991 | 490 | 5.5KW | 368kg |
(2)處理量:(注其他物料產量另行計算)
型號 | 孔徑 | 碳酸鍶 | 碳酸鋇 |
WP500 | Φ1.5mm | 2000-2500kg | 900-1100kg |
WP800 | Φ1.5mm | 800-1000kg | 2500-3000kg |
致力于法蘭成型機、冷彎卷圓機、角鋼卷圓機、型材彎曲機、圓筒翻邊機、錐筒翻邊機、風機前盤旋壓機、剪圓機、工字鋼頂彎機、槽鋼卷圓機、液壓法蘭成型機、篩分與輸送、型材冷彎成型等設備及其它相關配套產品的設計、制造與安裝調試
同時,承接業內信息咨詢系統方案規劃及相關項目開發等業務
公司產品遍布全國各地,并遠銷海外近年來,公司本著“以科技為先導,以質量為保證,以信譽求生存,以創新求發展的方針
先后開發生產了立式車床、法蘭成型機、風機專用多功能旋壓機成套制粒及振動、篩分、輸送設備等產品。質量可靠,規格型號齊全,自動化程度高
企業以不斷進取的先進技術和工藝裝備及完善的服務質量來滿足顧客的需求和期望,同時努力完善自身管理
今后,本公司將秉承“優質、高效、求實、奉獻”的經營理念,以優良的品質、完善的售后服務竭誠為各界客戶提供優質的服務


